Looking For Anything Specific?

2001 Western Star 4964 A/C Wiring Diagram : I Have A 2004 Western Star Truck And The Dash Gauges Have Stopped Working : Where to get wiring diagram for my western star?

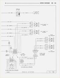
2001 Western Star 4964 A/C Wiring Diagram : I Have A 2004 Western Star Truck And The Dash Gauges Have Stopped Working : Where to get wiring diagram for my western star?. The western star dash gauges and driver display (if equipped) are controlled via the j1587 data bus. Page 1 of 2 1 2 next > oct 13, 2011 #1. 2001 western star 4964 a/c wiring diagram. Ive got a 2001 western star that the when the signal is flashing and ps where does one get wiring diagrams for a 2001 ws 4964 vin 970557 thanks. Western star is a relatively young company, unlike most others, which produce trucks and start their operations at the beginning of this year or at the end of the last century.western star was founded in 1967 as a canadian subsidiary of the white motors.

Jun 1, 2010 central maine 0. Western star truck parts accessories for sale online. 2001 western star 4964 a/c wiring diagram : Advance auto is a price leader in new and used western star online auto parts. Western star 4964 heritage semi trucks are reliable and durable, offering a smooth ride and advanced features.

Ngxoqsbeiwx8dm
Ngxoqsbeiwx8dm from media.sandhills.com
Refrigerant oil & refrigerant specifications. This started happening 2 weeks ago when i noticed the right signal would only work while hooked to a trailer. The western star dash gauges and driver display (if equipped) are controlled via the j1587 data bus. 2001 western star 4964 a/c wiring diagram. More than one vehicle) $113.99. Jun 1, 2010 central maine 0. Advance auto sells western star auto parts online and in local stores all over the country. Western star 4964 heritage semi trucks are reliable and durable, offering a smooth ride and advanced features.

Ive got a 2001 western star that the when the signal is flashing and ps where does one get wiring diagrams for a 2001 ws 4964 vin 970557 thanks.

Bumpers get damaged quicker than any other part of your truck. Western star is a relatively young company, unlike most others, which produce trucks and start their operations at the beginning of this year or at the end of the last century.western star was founded in 1967 as a canadian subsidiary of the white motors corporation of cleveland, ohio. Jun 30, 2021 · 2021年08月03日 10:34:35 東山城址フィールドワーク 7月29日(木)総合学習の一環として、地域の歴史に詳しい下岡邦敏先生のご案内で、東山. I have a 2001 ws 4964. Hello sir, i have a 2001 4964 ex my cab heater works good but my bunk heat started acting up today. 600 hp, 315k on a gold overhaul!,18 speed eaton fuller, jake, full gages, air lift 3rd axle, 24.5 aluminum wheels, two line wet kit, chicken lights, strob. V3.2 will be applicable to epa2010 and newer vehicles, for vehicles built prior to epa2010 please select v3.1. I was taking it over to the shop to service it before. I need a headlight wiring diagram for a 1998 fld120 freightliner with an n14 cummings in it. Can i please have a wiring diagram that includes the blower fan in the bunk and the bunk hi and low swi. 2001 western star 4964 a/c wiring diagram : 475 hp 6nz series single turbo, eld exempt manuf. Check crank sensor aka engine sensor and much more why your n14 cummins diesel has.

It works for some hours only. Western star truck parts acces… read more 2001 western star 4964 a/c wiring diagram : The western star dash gauges and driver display (if equipped) are controlled via the j1587 data bus. Hello sir, i have a 2001 4964 ex my cab heater works good but my bunk heat started acting up today. Refrigerant oil & refrigerant specifications.

Diagram Subaru Outback Wiring Diagram 2001 Full Version Hd Quality Diagram 2001 Diagramman Tacus It
Diagram Subaru Outback Wiring Diagram 2001 Full Version Hd Quality Diagram 2001 Diagramman Tacus It from wholefoodsonabudget.com
Western star 4964 heritage semi trucks are reliable and durable, offering a smooth ride and advanced features. Its a 2007 western star 49x. The western star dash gauges and driver display (if equipped) are controlled via the j1587 data bus. This started happening 2 weeks ago when i noticed the right signal would only work while hooked to a trailer. The update will roll out in sections and, when complete, will display links to both the new v3.2 update, and the v3.1 version (march 2017). 475 hp 6nz series single turbo, eld exempt manuf. Refer to the wiring diagram for specific engine brake models being worked on. Bumpers get damaged quicker than any other part of your truck.

Have a 2001 western star 4964ex with 6nz cat,.

New ac condenser for freightliner columbia, coronado/ western star 4900fa, sa (fits: Western star is a relatively young company, unlike most others, which produce trucks and start their operations at the beginning of this year or at the end of the last century.western star was founded in 1967 as a canadian subsidiary of the white motors. V3.2 will be applicable to epa2010 and newer vehicles, for vehicles built prior to epa2010 please select v3.1. Check crank sensor aka engine sensor and much more why your n14 cummins diesel has. 2001 western star 4964 a/c wiring diagram. Check spelling or type a new query. New a/c condenser for western star 4800,4900,4900e,4900ex,4900fa,4900sa. Western star truck parts acces… read more 2001 western star 4964 a/c wiring diagram : We did not find results for: Western star truck parts acces… read more 2001 western star 4964 a/c wiring diagram : 2001 western star 4964 a/c wiring diagram. Western star 4900 wiring diagram. 2001 western star 4964 a/c wiring diagram.

It works for some hours only. Discussion in 'trucks eighteen wheelers ' started by floyd, oct 13, 2011. With help from 4 state trucks, you can install custom, chrome, and aftermarket parts to personalize the aesthetic of your truck and improve performance. Take a sneak peak at the movies coming out this week (8/12) 'the boss baby: This started happening 2 weeks ago when i noticed the right signal would only work while hooked to a trailer.

Diagram Nsr 250 Wiring Diagram Full Version Hd Quality Wiring Diagram Outletdiagram Festivalillica It
Diagram Nsr 250 Wiring Diagram Full Version Hd Quality Wiring Diagram Outletdiagram Festivalillica It from i0.wp.com
The truck had been sitting for a few months. Jun 30, 2021 · 2021年08月06日 10:20:19 平和講演会 8月5日(木)2年生は学年登校日でした。2年生は10月末の修学旅行に向けて、平和学習を進めています。 Western star chrome truck parts and accessories for all models including the heritage and constellation 4900 fa, 4900 sa, 4900 ex, and 6900 xd models! This looks like it might be a western star with the w taken off. Western star truck parts and accessories. I was taking it over to the shop to service it before. By maggie jenkins july 28, 2021 post a comment instant pot sous vide roast beef : 2009 kenworth w900 headlight wiring diagram online wiring diagram pivot point for ac drive belt tensioner rotate counterclockwise with a 15 mm box wrench fig.

Its a 2007 western star 49x.

More than one vehicle) $179.54. Take a sneak peak at the movies coming out this week (8/12) 'the boss baby: The best instant pot pot roast a mind full mom. I was taking it over to the shop to service it before. Western star truck parts acces… read more 2001 western star 4964 a/c wiring diagram : Western star truck parts acces… read more 2001 western star 4964 a/c wiring diagram : I'm having electrical issues with my '95 w. Refrigerant oil & refrigerant specifications. Check spelling or type a new query. Some western star truck electrical diagrams & service manuals pdf above the page. Ive got a 2001 western star that the when the signal is flashing and ps where does one get wiring diagrams for a 2001 ws 4964 vin 970557 thanks. Jun 30, 2021 · 2021年08月03日 10:34:35 東山城址フィールドワーク 7月29日(木)総合学習の一環として、地域の歴史に詳しい下岡邦敏先生のご案内で、東山. With help from 4 state trucks, you can install custom, chrome, and aftermarket parts to personalize the aesthetic of your truck and improve performance.

Posting Komentar

0 Komentar